
Naval digital tap-offs TO4 and TO2 have been designed especially for marine use and the complete TV/Radio frequencies of 0.1–1000 MHz worldwide. In order to avoid interference due to connection between the splitter and the ship’s hull, the splitter base is manufactured in plastic to make it double isolated.
Unused outputs of tap-offs do not need to be terminated. The last line output has to be terminated with 75 Ohms terminating connector (e.g. 500.207).
Since 1971, the objective of Naval Electronics has been to offer the best possible products for TV and Radio reception at sea. Naval began with omnidirectional antennas and is the world leader in this field of technology today. Now, with an expanded product range, the name Naval means much more than antennas. Naval operates in more than 40 countries and has installations on thousands of vessels all over the world.
TECHNICAL SPECIFICATIONS
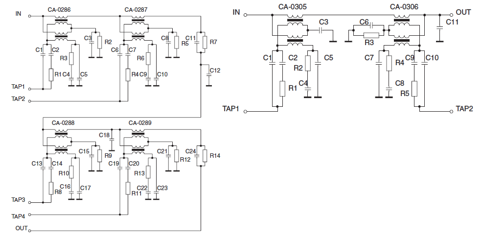
Tap-off TO4F 4-ways with F-connectors | |||
TO4F-12 | TO4F-17 | TO4F-21 | |
Frequency range: | 0.1–1000 MHz | 0.1–1000 MHz | 0.1–1000 MHz |
Tap loss: | 12.5 dB | 17 dB | 21 dB |
Through loss: | 4.5 dB | 3.5 dB | 3.5 dB |
Tap-off TO2F 2-ways with F-connectors | |||
TO2F-12 | TO2F-17 | ||
Frequency range: | 0.1–1000 MHz | 0.1–1000 MHz | |
Tap loss: | 12.5 dB | 17 dB | |
Through loss: | 1.5 dB | 1.5 dB |
Electrical
Directional isolation: >17 dB
Isolation, TV-TV: >36 dB
Return loss: >20 dB
Screening factor: 75 dB
Impedance: 75 Ohm
Operating temp: -40°C – +60°C
CE specifications according to EN50082-1, EN 50081-1,
DIN V VDE 0855 part 10
Return loss 20 dB from 40 MHz–1.5 dB/octave
Below 5 MHz the spec may vary
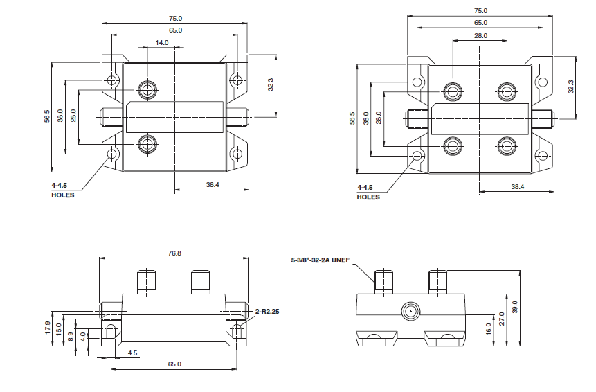
Mechanical
Weight: 150 g
Material of product housing: Zn95.38 Cu0,586 Ni0.0147 Sn0.0027
Connector: Phosphor bronze Sn plated.
Insulator: ABS 94HB BLACK RAL9005
Mechanical specification value of F-connector Standard: according to IEC 169-24
12G(U.S.A)8 Range of adopted cable’s central pin: ?0.4–?1.2 mm.
Pull Force: Min. 0.5N
Application: ETS 3000019
Protection: IP50 (same as DIN40050)
Storaging temperature: -40…. +80°CLabel: Background: gray similar to RAL 7032
Text: black RAL 9005