
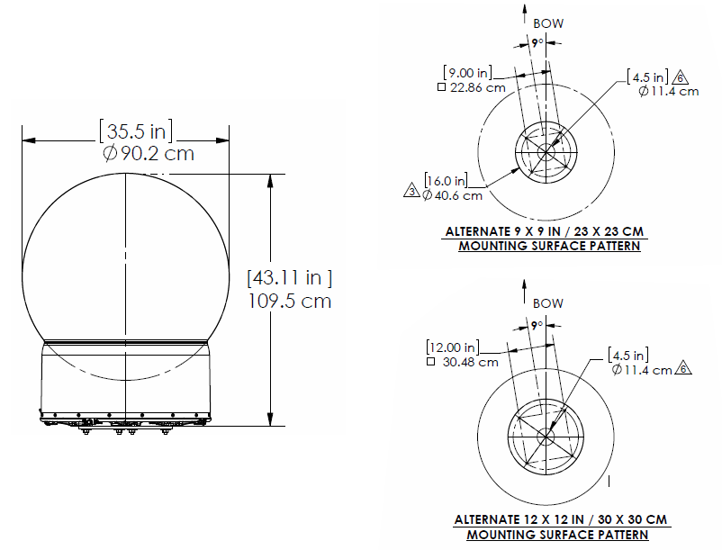
The SAILOR 60 GX is a robust 3-axis marine stabilised antenna system designed specifically for the Inmarsat Global Xpress? satellite network. Using a Ka-band tuned radome for peak RF performance, it is a powerful enabler for the ever increasing bandwidth requirements in the maritime market and a perfect companion for the established SAILOR FleetBroadband terminals.
Dedicated development
The SAILOR 60 GX is a result of thousands of hours of research, development and rigorous testing that meets or exceeds the strict requirements set forth by Inmarsat. This ensures that with SAILOR 60 GX, the high speed maritime broadband provided by Global Xpress? is always available for business critical, operational and crew communication. With collaboration and IP applications becoming increasingly important to improving vessel and fleet efficiency, SAILOR 60 GX can be counted on to enable your ability to communicate and operate more efficiently.
Fast, flexible installation and integration
The SAILOR 60 GX is simple to install, setup, operate and commission, even by a non-specialist technician. The use of Ethernet over Coax (EOC) allows for four times the length over traditional coax only systems, so installation flexibility is high. It is easily integrated with SAILOR FleetBroadband to create a redundant, highly reliable network with the quality and coverage needed to perform in today’s maritime environment. SAILOR 60 GX also uses the innovative Cobham IMA software platform, helping to make it ready to face the communications needs of the maritime market in the 21st century.
Remote functions for management and maintenance
The SAILOR 60 GX supports extensive remote monitoring and diagnostic capabilities. Managing multiple systems across an entire fleet operating on identical networks is easy using the intuitive and secure user interface, which features extensive data logging capabilities. Secured Socket Layer (SSL) password protection provides high-levels of data security while extensive capabilities for online and off-line troubleshooting with the integration of a SAILOR FleetBroadband system enhance maintenance possibilities. Likewise, with full autonomous network and software upgrades you can be sure your system is operating with the latest software and features.
Testing and dual antenna installations
The SAILOR 60 GX is designed to meet some of the toughest shock and vibration specifications, including IEC EN 60945. It is also ready for seamless dual antenna installations for those ships that may experience excessive blockage zones.